5 Multiplekser I Demultiplekser
Co to multiplekser
Multiplekser (w skrócie MUX) – układ kombinacyjny służący do wyboru jednego z kilku dostępnych sygnałów wejściowych i przekazania go na wyjście.
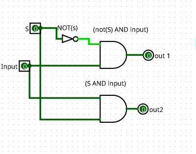
Poniżej przedstawiony jest multiplekser 2×1. Posiada on dwa wejścia a i b i jedno wejście s, nazywane sterującym lub z angielskiego select czyli wybór. Jego działanie jest bardzo proste. Jeśli wejście select ma wartość zero, na wyjście przekazywana jest wartość z wejścia A. Jeśli wejście select ma wartość jeden, na wyjście jest przekazywana wartość z wejścia B.
Zbudujemy teraz ten multiplekser używając podstawowych bramek logicznych.
Na powyższym zdjęciu znajduje się tablica prawdy multipleksera 2×1.
2 Zamiana tabeli prawdy na wyrażenie boola
Szukamy wiersze tabeli, które mają na wyjściu 1 i piszemy wyrażenie boola, tak aby uzyskać tę jedynkę.
Wiersz 3 :
NOT(s) AND A AND NOT(B)
Wiersz 4 :
NOT(S) AND A AND B
Wiersz 6:
s AND NOT(a) AND B
Wiersz 8:
s and a and b
Wychodzi nam:
(NOT(s) AND A AND NOT(B)) or (NOT(S) AND A AND B) or (s AND NOT(a) AND B) or (s and a and b)
Możemy skrócić te wyrażenie:
(NOT(s) AND A) OR (S AND B)
Zaimplementuję to w aplikacji Logisim https://sourceforge.net/projects/circuit/
Pin s ustawiony jest na 0, więc sygnał jest przesyłany z wejścia A - 0.
Kiedy przestawiam pin A na wartość jeden, wyjście również otrzymuje 1.
Zmieńmy teraz wartość pinu s na 1. Na wyjściu powinna pojawić się wartość wejścia B
Tak też się stało. Wartość wejścia s jest ustawiona na 1 więc wyjście otrzymuje wartość z wejścia B - 0 .
Zmienię wartość wejścia B na 1, pozostawiając wejście s w niezmienionym stanie.
Jak widać, na wyjściu mamy 1 czyli nasze wejście B.
Po co nam multipleksery ?
Wyobraź sobie sytuację gdzie mamy jeden “kabelek”, przez który chcą przejść dwie różne informację naraz. np osiem zer i jedynek z wejścia a, i 8 zer i jedynek z wejścia b. Możemy umówić się, że co sekunde zmienia się wartość s ( wyboru) w multiplekserze. Dzięki temu co sekundę na wyjściu będziemy mieć naprzemiennie wejście z a i z b. Używając przeciwieństwa Multipleksera - DeMultipleksera ( o nim też będzie mowa) , w którym wejście s też będzie zmieniać się co sekundę możemy odseparować te dwie informację “przesłane jedną linią” na dwa różne wyjścia.
Obrazek prezentujący tę analogię:
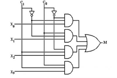
4x1 multiplekser
Multiplekser który ma 4 linie do wyboru musi mieć dwa wejścia sterujące. Ponieważ mając dwa bity mamy 4 kombinacje
0 0
0 1
1 0
1 1
Możemy zbudować go z trzech multiplekserów 2×1
Oto film przedstawiający jego działanie:
Oczywiście nic nie stoi na przeszkodzie zbudowania go z samych bramek logicznych zamiast z trzech multiplekserów 2×1:
Demultiplekser
Jest to układ wykonujący funkcje odwrotne do multipleksera.
Demultiplekser 1×2 ma jedno wejście, które w zależności od wejścia s, zostaje przekazane do jednego z dwóch wyjść.











